杭州威龍不銹鋼化工水泵_杭州威龍油罐車齒輪油泵
50QZCL(CP)-15/5-LN(S)為例
50代表進出口直徑
QZ代表汽車自備
CL(CP)代表齒輪泵
15代表全開流量(m3/h)
5代表內置安全閥作用壓力、無此項表示不帶內置安全閥
L代表進出口朝上
N代表逆時針旋轉(從輸入軸端看)
(S)代表順時針旋轉(從輸入軸端看)


二、性能指標
杭州威龍不銹鋼化工水泵有BX-80QZ-40/42N-4、BX-80QZF/B-60/90N/S-4、BX-65QZF/B-50/110N/S-4等型號。
杭州威龍齒輪油泵有50QZCP-8/5、50QZCP-8/5-I、50QZCP-8、50QZCP-8-I、50QZCP-15/5-I、50QZCP-15/5-I、50QZCP-15-I、50QZCP-15、65QZCL-20-I、65QZCL-30-I、65QZCL-35-I、65QZCL-40-I、80QZCL-60-I等型號。

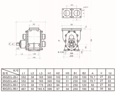
QZCP、QZCL系列齒輪泵,主要由泵體、齒輪、泵蓋、軸承、機械密封及安全閥等部件組成。安裝尺寸見圖1、圖2、圖4.該泵拆卸、修理方便。QZCP、QZCL系列泵安全閥也可采用外置管路安全閥,見圖3,使輸送介質系統更穩定可靠。


QZCP、QZCL系列齒輪泵是一種容積泵,介質從吸入側(進口端)流入,其方向與齒輪旋轉方向相反,使兩個相互嚙合的齒輪齒槽充滿了介質,由于齒輪四周有泵體,泵蓋封閉,嚙合齒輪轉動時,介質就被帶往排出側(出口端),并通過泵的出口強行排出,完成輸送介質的過程。QZCP、QZCL系列齒輪泵進口管路系統不得漏氣。

QZCP、QZCL系列齒輪泵的裝配與拆卸簡便,結構可靠是此系列泵的特點。
1、旋下泵蓋螺栓即可將主動齒輪、輸入軸、機械密封、軸承與泵蓋1-A的組件及從動齒輪組件從泵體分離出來。
2、旋下軸承端蓋上螺栓、取力端蓋后,旋出輸入軸上鎖緊軸承的圓螺母取下止退墊圈,將主動齒輪和輸入軸組合與泵蓋分離。
3、主動齒輪和輸入軸組合與泵蓋1-A之間裝有機械密封,機械密封的靜環裝配在泵蓋1-A上,帶有彈簧的動環裝配在主動齒輪和輸入軸組合上,在組合與泵蓋分離時,輸入軸不能晃動,要平穩取出,切勿碰到靜環。靜環、動環材料硬度雖高耐磨,但很脆極易碰碎。
安裝時以相反順序進行,并請注意泵體端蓋與齒輪保持適當間隙。
六、訂貨須知
1.用戶根據使用條件先型,訂貨必須注明參數,泵送液體名稱、溫度等條件。
2.用戶需提供配套時,應注明名稱、規格、獨立計價。
3.本廠產品實行“三包”,嚴格履行合同義務,遵守“用戶至上、信譽”原則。在用戶選用產品恰當和遵守安裝、使用規則的條件下,從發貨之日起一年內,確因產品制造質量而發生損壞和不能正常工作時,免費為用戶修理或更換。易損零件的正常磨損不在此規定。
4.如本廠已有產品不能滿足用戶的特殊要求,我廠可以根據要求,專門設計、生產您所需要的產品。
5.本廠對QZCP、QZCL系列齒輪泵的參數會隨著市場需要適當調整,恕不通知,歡迎垂詢。


